本开关适用于交流50Hz,一次侧额定电压为10kV,额定通过电流50A及以下额定容量630kVA及以下的油浸式电力变压器。开关体积小于同类型产品,极大地减少了开关本体所占用的变压器体积。与变压器共用油室,因本开关采用真空式灭弧,对变压器油无污染,克服了埋入式开关的体积大、独立油室,长期使用后需对开关内部变压器油更换等缺点,真正做到安全可靠无污染,免维护等特点。本开关应选用本厂的相应配套的有载调压控制器,作为本开关操作控制机构,可实现自动、手动及无线调节,真正实现自动化智能调节。
本产品符合国网招标要求并已纳入国网标准化图纸中。
型号说明:

例如:SYⅥTZZ 50/10-9XZ 表示三相有载端部调压采用电阻式过渡电阻直接切换的有载开关,开关额定电流为50A,额定电压10kV,开关有9档分接,盘式结构,真空灭弧。
优点:
本开关采用外部储能控制器,可应对电源突发断电等特殊情况,而不造成调档中断。
1.采用独有的就地操作技术,解决了在无电源情况下无法对开关进行档位调整的问题,极大的方便了现场运行维护及故障检修。
2.采用电气与物理双档位指示,解决了因电机丢转等原因造成的开关实际档位与控制器读取档位不一致的问题,提高了开关的安全性和可靠性。
3.采用全密封蜗轮蜗杆减速箱+步进电机技术,解决了因为进水或者受潮导致机构锈蚀卡顿的问题,确保开关能长期稳定运行。
产品参数:

调压原理:

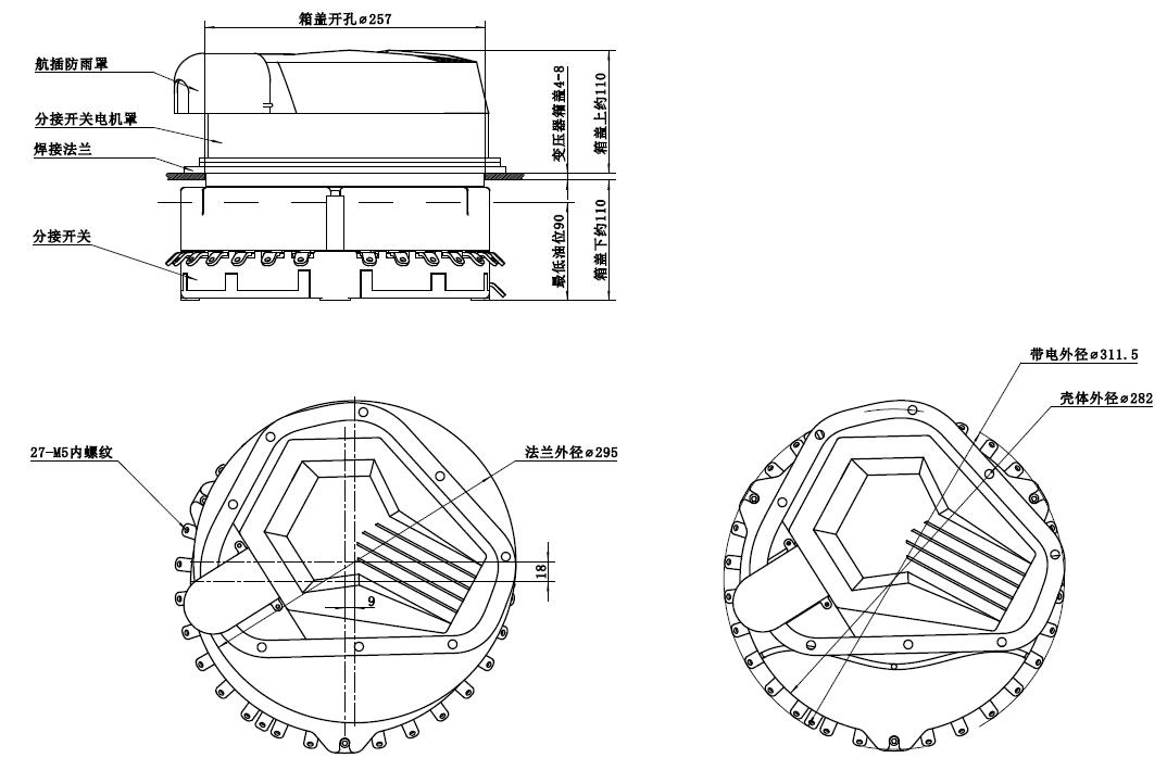
外形图:

图片:










